Page 13 - 新司南——初中地理探究实践作业
        P. 13
     第一章  地  球
                     (2) 太阳系里其他行星为何没有生命存在?
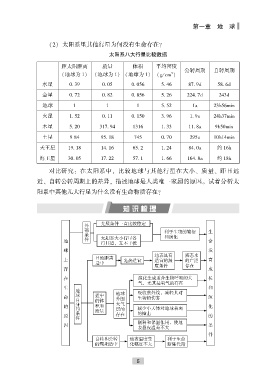
                                            太阳系八大行星比较数据
                          距太阳距离           质量          体积       平均密度
                                                                          公转周期        自转周期
                                                                     3
                          (地球为 1)      (地球为 1)     (地球为 1)     (g / cm )
                  水星         0 39       0 05     0 056     5 46     87 9d     58 6d
                  金星         0 72       0 82     0 856     5 26    224 7d     243d
                  地球          1            1           1         5 52       1a      23h56min
                  火星         1 52       0 11     0 150     3 96      1 9a   24h37min
                  木星         5 20      317 94     1316       1 33     11 8a    9h50min
                  土星         9 84        95 18      745        0 70      295a     10h14min
                 天王星        19 18      14 16      65 2     1 24     84 0a    约 16h
                 海王星        30 05      17 22      57 1     1 66     164 8a   约 18h
                     对比研究: 在太阳系中ꎬ 比较地球与其他行星在大小、 质量、 距日远
                近、 自转公转周期上的差异ꎬ 描述地球是人类唯一家园的原因ꎮ 试着分析太
                阳系中其他几大行星为什么没有生命物质存在?
                                                       5





